Dear Lloyd – I read all of the issues of Today’s Machining World and really enjoy the insight and information. I’m a 62 year old journeyman tool and die maker who morphed into a scientific instrument maker, designer, manager over the last forty years.
In my current position, I am running a CNC department for a 100 year old family business. I’m helping the fourth generation to go another 100 years. The company started as a tool and die shop, moved into manufacturing (almost a captive shop for Western Electric Hawthorne Works), stamping, forming, laser, waterjet, and is now working in CNC machining. We do mostly small lot aerospace work. Right now, I am saddled with a problem I have never encountered.
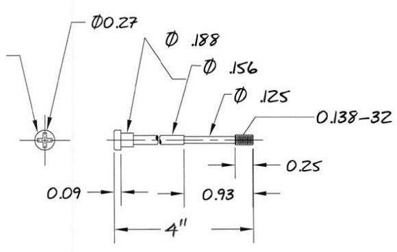
Question: We need to put a #2 Philips feature on a custom screw on about 300 screws. I don’t think that cold heading is an option due to the material and tolerances. Other than sinker EDM, I don’t know how to make the feature. Do you have any ideas? Any thoughts would be appreciated.
We want to bring back the Shop Doc feature as a frequent part of Swarfblog. Please write us if you have a thorny job you could use help with. lloydgrafftmw@yahoo.com


9 Comments
I think sinker EDM would be your best choice. Without knowing the tolerances or depth of the feature, I cannot comment on trying to mill this. Is there a reason you would not want to EDM this feature?
I’d go back to the customer and see if he can use a slotted head instead of Phillips #2. We’ve done this with success with many of our customers, including defense. Slater Tools tried to develop rotary broaching the Phillips head feature without success. You might also offer rotary broaching to accept hex Allen key wrench or Torx.
Another approach would be to see if 90-degree cross-cut pattern thru the head of the screw would be acceptable. Heck it’s only a screw and will most likely be driven once or twice in its lifetime.
Sometimes these particular features on prints were designated when production was such that it was to be cold-headed. I’ve seen the same problem with raw material designations.
Hi,
We have a DMG Mori Lasertec 40 machine. Basically it’s a milling machine that removes metal with a laser beam. If you give a little more info on the specs, we could do the some sample parts to figure out a cycle time and give a quote. Let me know what you think.
Best Regards,
Jay Sauder
Depending upon how narrow the screw head slots are, milling them with a small diameter end mill & high speed spindle could be a good solution for a small quantity of 300 parts. IBAG sells many small high speed milling spindles for use on medical bone screws to mill the torqx sockets. For medical applications, the torqx socket is a custom shape that is often milled. Typical spindle speeds, for end mills with diameters of .080″ ~ .100″ are 30K ~ 40K RPM in stainless steel or titanium. It could be an easy solution for this part feature.
Swiss cnc complete . get authorization to change Phillips head to hex.
if cannot get that Customer pays for it dearly to Sinker Produce phillips .
Less than part a minute . In swiss .
This part could be cold headed on a progessive 4 die subject to the unknown tolerances. we, unfortunately, don’t have one.
It is a short run!
I just made FOUR special components today. 😉
Simply reverse engineer it…
You are looking at the difficult as a last process, look at it as the first stem!
Try to source some ~ 1/4″ bolts with a #2 Philips head and machine them down to part spec.
1/4-20 has a minor diameter of .195″ and 1/4-28 has .211″
YES – I know that a 1/4″ screw/bolt normally has a #3 Philips head
There are plenty of bulk screw sources on the internet – you never know what you may find, and a simple fix to a complex problem.
Being you are seasoned in years and short runs are most likely your niche all above responses are good and workable … I suspect cost is an issue so the ease of process is where you are going with this because you already know how to produce this feature.
Sinker EDM is probably as efficient as any and is a moderately priced process.
Another option … while all the unknowns in the part description are out there for interpretation;
• Pre-drill (slightly tapered) as much of the core of the #2 Philips feature as possible
• Make a seriously hardened and coated #2 Philips mandrel
• Use a 5C Collet Clamping Fixture to hold the piece part
• Use an Orbital Riveting Machine to swadge the ears into the pre-drilled hole. Doesn’t take much force and with the rotary movement and vibration (if it has that option) you’ll be surprised how easy the material moves, even pre-hard material.
Fairly cheep process …. Good Luck .. You’ll get ER.
I would suggest a cold headed blank off an open die cold header. Over size the shank diameter and turn it down to what ever diameter you need for either roll threading or cut threading.